Acer Aspire 5920, 5920G, Quanta ZD1(CHAPALA) Free Download Laptop Motherboard Schematics

80% Acer Aspire 5920G-6A4G25Bi review Origem: Techradar EN→PT Archive.org version If you're in the market for an affordable Blu-ray player, the Acer Aspire 5920G is a fantastic bargain. It excels as an entry-level laptop and also shines when connected to a larger HDTV, so unless you require top-of-the-range power or mobility, there's plenty to recommend. 4 von 5, Display exzellent.
Acer Aspire 5920 Externe Tests

Specs Acer Aspire 5920 G-602G25MN Intel® Core™2 Duo T7500 39.1 cm. The Acer Aspire 5920 is a highly-versatile notebook that delivers an extraordinary audio-visual experience. With Dolby Home Theater Virtual Surround Sound speakers, a high-definition audio-video port (HDMI), an HD-DVD drive (on selected models), and an optional TV Tuner.
Review Acer Aspire 5920G Notebook Reviews

Acer Aspire 5920 series. Model No:ZD1. Orginal Operating System Windows XP. Upgrade to Windows 7. After upgrade, and restart a message said "eNet Management software is incompatiable with this version of windows. For more information, contact Acer INC.." Program: eNet Management software. Publishes: Acer Inc
Análise Acer Aspire 5920G Notebookcheck.info

AspireinHome Care Personal Care Attendants (PCAs) Starting our journey as a single Personal Care Attendant in San Francisco Bay Area, the Aspire in Home Care Agency has evolved into a full-service home care agency with a large team. With strict recruitment criteria, we make sure that each member of our team is qualified and has relevant training to fulfill his/her caregiving responsibilities.
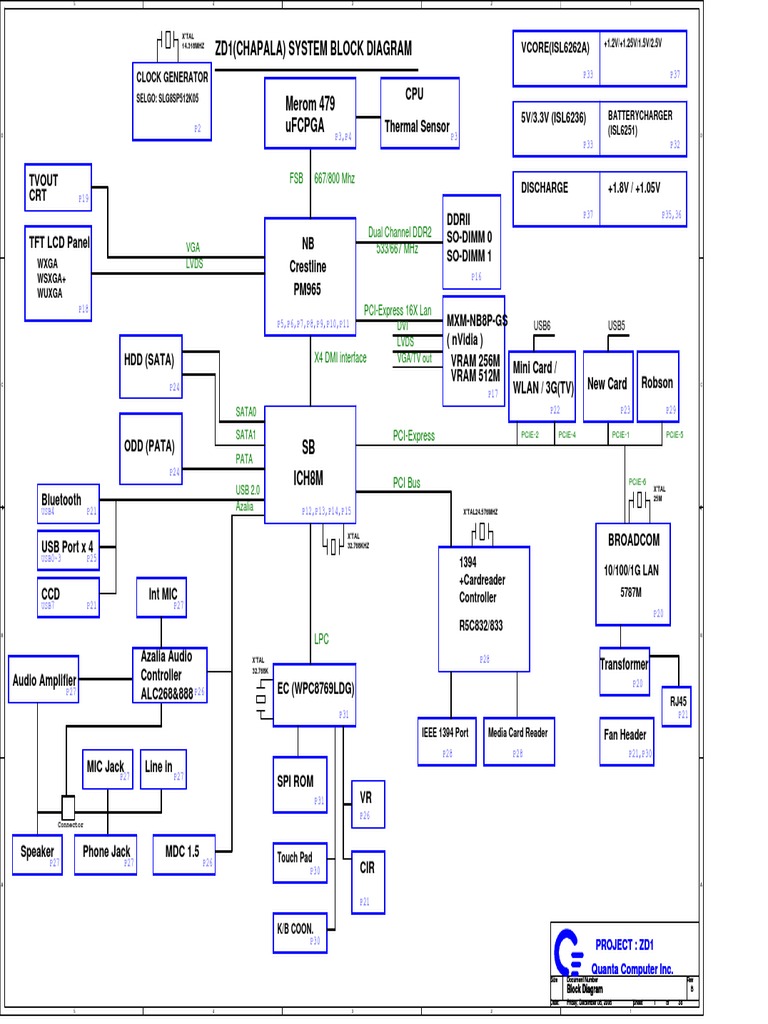
Acer Aspire 5920 5920G Quanta ZD1 CHAPALA RevB Schematic PDF Electronics Computer
The Acer has a 15.4-inch screen. Images appear colourful thanks to a glossy Super-TFT coating, and it was more than bright enough, even in direct sunlight. As with all such panels, reflections.
Acer Management Aspire 5920 Windows 7 d0wnloadsoccer

View online (117 pages) or download PDF (9 MB) Acer 5920, Aspire 5920, 5920 Series User's Guide • 5920, Aspire 5920, 5920 Series notebooks PDF manual download and more Acer online manuals. Note: The specifications listed above are for reference only. The exact configuration of your PC depends on the model purchased.. ZD1. Aspire 5920.
Review Acer Aspire 5920G Notebook Reviews

Acer ASPIRE 5920G ZD1 Laptop Specifications & Information. Display Specifications Acer ASPIRE 5920G ZD1 Replacement Screen Compatibility Screen Details Model Compatibility 15.4-inch WideScreen (13.1"x8.2") WXGA (1280x800) Glossy CCFL 1-Bul. Screen.
Notebook Acer Aspire 59206368 Zd1 Em Excelente Estado Mercado Livre

The specs for Aspire 5920 comes in these configurations with a retail price tag. The configuration Acer provides comes with a Intel Core 2 Duo n/a Serial ATA ExpressCard n/a, NVIDIA GeForce 8600M GT, 15.4 256 MB GDDR2 224 MB DDR (shared). This Acer Laptop can take up to 4.0 GB ram, with a fixed amount of 2.0 GB = 1.0 GB (removable) + 1.0 GB (removable) installed n/a.
ACER ASPİRE 5920 ZD1 Notebook Batarya

Aspire 5920. Model ZD1 need software upgrade. ksthong Member Posts: 3. August 2017 edited March 2023. Original installed windows vista. I upgrade it to windows 7 Home Premium. When the new windows restart, the message show "eNet Management Software is incompatiable with this version of windows. For more information, contact Acer Inc..".
Acer Aspire 5920G usato in Italia vedi tutte i 78 prezzi!

Acer Aspire 5920 Specifications. Acer Aspire 5920. Processor. Intel Core 2 Duo T7300 2 x 2 GHz. 74% Acer Aspire 5920 (Core 2 Duo 2GHz, 2GB RAM, 200GB HDD, Vista Ultimate).
Notebook Acer Aspire 5920G Recensione Notebookcheck.it

Product Support - Aspire 5920 | Acer United States. Skip to content. Acer Brands Save up to 55% on Laptops and Monitors During our Tax Refund Sale! My Profile. Aspire 5920; Product Support. Model Number: Part Number: Find Another Model Drivers and Downloads; Acer Answers; Acer Community; Product Details;
Notebook Acer Aspire 59206368 Zd1 Em Excelente Estado Mercado Livre

Product Support - Aspire 5920 | Acer Canada. Product Support - Aspire 5920 | Acer Canada. Skip to content.. Aspire 5920; Product Support. Model Number: Part Number: Find Another Model Drivers and Downloads; Acer Answers; Acer Community; Product Details; Operating System: 0 results
Acer Aspire 5920

Specs Acer Aspire 5920 Intel® Core™2 Duo T7500 39.1 cm (15.4") 3 GB. The Acer Aspire 5920 is a highly-versatile notebook that delivers an extraordinary audio-visual experience. With Dolby Home Theater Virtual Surround Sound speakers, a high-definition audio-video port (HDMI) (selected models), an HD-DVD drive (on selected models), and an.
ACER ASPIRE 5920G SERIES SERVICE MANUAL Pdf Download ManualsLib

The Acer Aspire 5920 (£549 inc. VAT) is incredible value for money, as it delivers the best in terms of specification, but isn't an expensive machine. Built around the Intel Core 2 Duo T7300.
ACER aspire 5920 Notebook www.pcloft.it

The Acer Aspire 5920G tries to score high with its brand-new design.. Specifications. Acer Aspire 5920G. Processor. Intel Core 2 Duo T7300 2 x 2 GHz (Intel Core 2 Duo) Graphics adapter.
Acer Aspire 5920/5920G Quanta ZD1 CHAPALA RevB schematic

Acer Aspire 5920. Acer revamps its Aspire range for Santa Rosa, and does a great job. By Andy Vandervell May 31st 2007 4:00am . In This Article. Key Specifications. Review Price: £799.99;